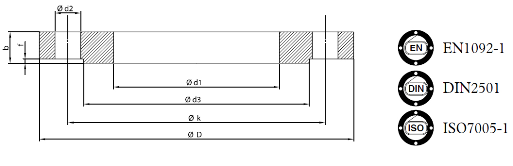
Ebat Size Boru Çapı / Pipe Dia Flanş Ölçüleri / Flange Dimensions Cıvata Ölçüsü / Bolt Dimensions Ağırlık /Weight d1 D k b d3 f d2 Cıvata Çap / Bolt Dia n EN 1092-1 kg/ad kg/pcs DIN 2501 kg/ad kg/pcs ISO 7005-1 kg/ad kg/pcs EN 1092-1 DIN 2501 ISO 7005-1 DN15 21,3 22 95 65 14 16 14 45 […]
Category Archives: Academy
Uncategorized
Concentric & Eccentric Reducer Fittings
Pipe reducers are one of the many types of fitting that can be used to control the flow within a piping system. In a piping system, there are two major types of reducer: concentric reducers and eccentric reducers. For the most part, reducing (and expanding) pipes is fairly straightforward. But there are some exceptions that […]
DIN – Alman Standartları Alman Standartlarında malzeme tanımlaması için 3 değişik sistem kullanılmaktadır. Malzeme Numarası Çeliğin çekme dayanımına göre kısa işareti Çeliğin kimyasal analizine göre kısa işareti Karbon Çelikleri Düşük Alaşımlı Çelikler Yüksek Alaşımlı Çelikler Malzeme Numarası= a. b c d e a= Malzeme Cinsi (çelik için 1) b=Çelik Türü c=Çelik Türü (Alt Grup) d […]
Uncategorized
Stainless Steel Fittings
Beginners Guide: Stainless Steel Fittings Many industries use stainless steel fittings with tube / pipe lines to transfer liquids and other product around their plant facilities. These industries include food and pharmaceutical sectors or building and construction. Stainless steel fittings are critical for the food and pharmaceutical industries as they are non-toxic, stain resistant, easy to clean […]
Uncategorized
Stainless Stell SAE Flanges
SAE Flanges are designed to provide an alternative method of connecting a pipe, hose, tube or equipment. The leak free connection is suitable for high pressures, larger sizes and assembly in tight quarters. It has achieved worldwide standard acceptance. It is made from normalized forging and the basic raw material is steel with carbon content lower than 0.30%. Alternatively, stainless steel […]





